
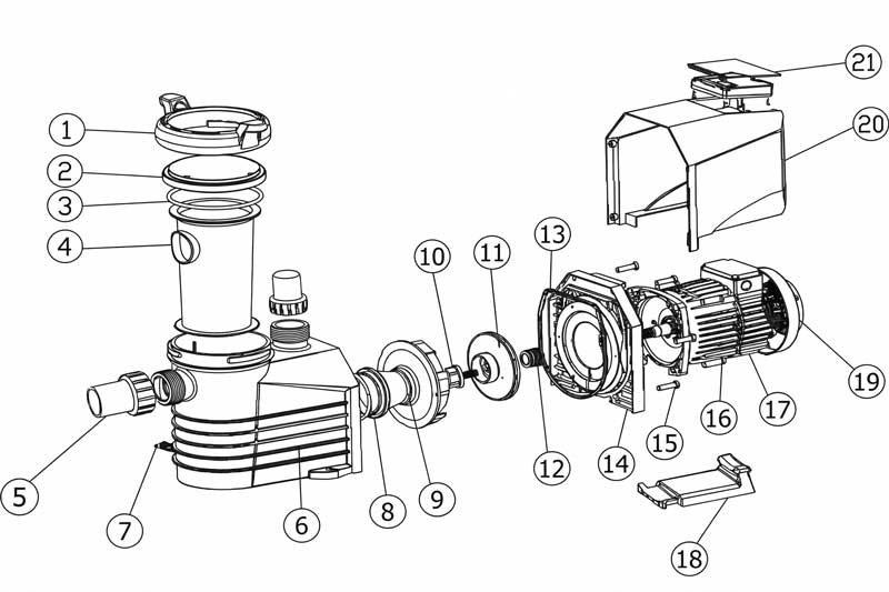
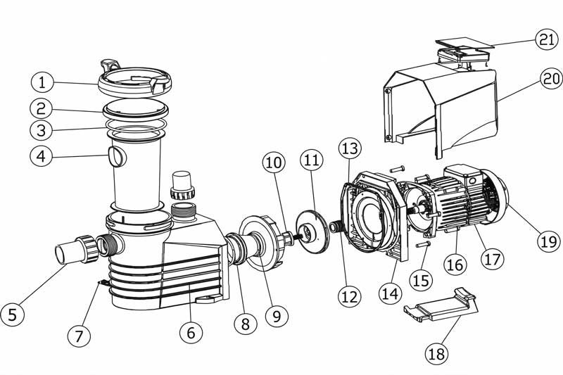
| KEY NO. | CODES | PART NO. | DESCRIPTIONS | PIECE (S) REQUIRED | Price 2026 (In. VAT) |
Website |
|---|---|---|---|---|---|---|
| 1 | 20710512485 | 4204010050 | Nut for Lid | 1 | - | - |
| 2 | 20710512490 | 4203810050 | Transparent Lid | 1 | 1,155.00 | 693.00 |
| 3 | 20710512495 | 111010057 | O-Ring For Lid | 1 | 495.00 | 297.00 |
| 4 | 20710512500 | 4202310050 | Basket | 1 | 1,155.00 | 693.00 |
| 5 | 20710512505 | E023801 | 1.5" Union | 2 | 858.00 | 515.00 |
| 6 | 20710512510 | 4200510050 | Pump body | 1 | 10,217.00 | 6,131.00 |
| 7 | 20710512515 | E021313 | Drain Plug With O-ring | 2 | 264.00 | 159.00 |
| 8 | 20710512520 | 111002592 | O-Ring For Diffuser | 1 | 264.00 | 159.00 |
| 9 | 20710512525 | 420219954 | Diffuser | 1 | 1,155.00 | 693.00 |
| 10 | 20710512530 | E020701 | Screw for impeller with O-ring | 1 | 264.00 | 159.00 |
| 11 | 20710512535 | 420360894 | ETV125 impeller | 1 | 1,912.00 | 1,148.00 |
| 11 | 20710512540 | 420360896 | ETV165 impeller | 1 | 1,912.00 | 1,148.00 |
| 12 | 20710510071 | E020001 | 3/4″ Mechanical seal | 1 | 1,912.00 | 1,148.00 |
| 13 | 20710512545 | 111990019 | O-Ring for Flange | 1 | 495.00 | 297.00 |
| 14 | 20710512550 | 4202010050 | Flange | 1 | 3,428.00 | 2,057.00 |
| 15 | 20710512455 | 112000069 | M8*35 Screw | 6 | 264.00 | 159.00 |
| 16 | 20710512560 | 112000065 | M8*25 Screw | 4 | 264.00 | 159.00 |
| 17 | 20710512565 | 4.20591E+11 | TYC-48S(1.25HP)Motor | 1 | - | - |
| 17 | 20710512570 | 4.20591E+11 | TYC-48M(1.65HP)Motor | 1 | - | - |
| 18 | 20710512575 | 4201210050 | Base | 1 | 1,336.00 | 802.00 |
| 19 | 20710512580 | 4201710050 | Fan Cover | 1 | 1,336.00 | 802.00 |
| 20 | 20710512585 | 4201510050 | Motor Cover | 1 | 1,681.00 | 1,009.00 |
| 21 | 20710512590 | E020401 | Programmable Controller | 1 | 13,678.00 | 8,207.00 |
| 21 | 20710512600 | 5100610051 | Lid for Programmable Controller | 1 | 678.00 | 407.00 |